REMOVAL AND INSTALLATION



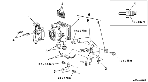
<LHD>


note ASC-ECU is located in the hydraulic unit.
caution When the hydraulic unit (integrated with ASC-ECU) is replaced, after turning the ignition switch ON or OFF (vehicle information from ETACS-ECU is registered), always carry out the calibration of all sensors (steering wheel sensor, G and yaw rate sensor, and brake fluid pressure sensor) at one time.( Refer to .)
Pre-removal operation
  • Brake fluid draining.

Post-installation operation
  • Brake fluid refilling and air bleeding (Refer to GROUP 35A - On-vehicle Service, Bleeding ).
  • Hydraulic unit check (Refer to ).





Removal steps
<<A>>

1.
ASC-ECU harness connector


2.
Suction pipe installation bolt


3.
Wheel speed sensor harness connector connection


4.
Wheel speed sensor harness clip connection

>>A<<
5.
Brake tube connection


6.
Brake tube and clip connection


7.
Suction pipe, liquid pipe and clip connection


8.
Hydraulic unit (ASC-ECU) and hydraulic unit bracket
<<B>>

9.
Hydraulic unit (ASC-ECU)


10.
Hydraulic unit bracket insulator


11.
Hydraulic unit bracket

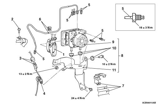
<RHD>


note ASC-ECU is located in the hydraulic unit.
caution When the hydraulic unit (integrated with ASC-ECU) is replaced, after turning the ignition switch ON or OFF (vehicle information from ETACS-ECU is registered), always carry out the calibration of all sensors (steering wheel sensor, G and yaw rate sensor, and brake fluid pressure sensor) at one time.( Refer to .)
Pre-removal operation
  • Brake fluid draining
  • Air cleaner body assembly removal (Refer to GROUP 15 - Air Cleaner <Petrol>, <Diesel>).
  • Fuel vapour canister removal (Refer to GROUP 17 - Canister <Petrol>).
  • Front harness protector or clip removal

Post-installation operation
  • Front harness protector or clip installation
  • Fuel vapour canister installation (Refer to GROUP 17 - Canister <Petrol>).
  • Air cleaner body assembly installation (Refer to GROUP 15 - Air Cleaner <Petrol>, <Diesel>).
  • Brake fluid refilling and air bleeding (Refer to GROUP 35A - On-vehicle Service, Basic Brake System Bleeding ).
  • Hydraulic unit check (Refer to ).





Removal steps
<<A>>

1.
ASC-ECU harness connector


2.
Front wheel speed sensor harness (LH) connector


3.
Front wheel speed sensor harness (LH) clip

>>A<<
4.
Brake tube connection


5.
Protector


6.
Hydraulic unit (ASC-ECU) and hydraulic unit bracket
<<B>>

7.
Hydraulic unit (ASC-ECU)


4.
Hydraulic unit bracket insulator


6.
Hydraulic unit bracket

REMOVAL SERVICE POINTS



<<A>> ASC-ECU HARNESS CONNECTOR DISCONNECTION



Operate the lock lever to disconnect the ASC-ECU harness connector as shown in the figure.

<<B>> HYDRAULIC UNIT (ASC-ECU) REMOVAL


caution
  • Be careful when removing the hydraulic unit because it is heavy.
  • Never loosen the nuts and the bolts because the hydraulic unit cannot be disassembled.
  • Do not drop or shock the hydraulic unit.
  • Do not turn the hydraulic unit upside down or lay down the unit because the inner air becomes difficult to be bled.

INSTALLATION SERVICE POINT



>>A<< BRAKE TUBE CONNECTION


caution After connecting the brake pipe, check that the brake pipe is secured into the vehicle body side fixing clips.


Install the brake pipe to the hydraulic unit as shown in the figure.

  1. From master cylinder (primary) <Marking colour: Blue>
  2. From master cylinder (secondary) <Marking colour: Yellow>
  3. To front brake (RH)
    <Marking colour: Orange>
  4. To front brake (LH)
    <Marking colour: Red (LHD), No Marking (RHD)>
  5. To rear brake (LH) <Marking colour: Pink>
  6. To rear brake (RH) <Marking colour: White>